
产品特点
四通换向球阀为X形垂直通道的球阀,它的特点是球体的两条通道为X形布置,四个通道口径均布于球体赤道圆周截面上,当球体沿顺时针旋转90时,能使相邻的两个通道实现两两互通。
Features
Four-way direction changeable ball valve is a kind of ball valve with X-pattern vertical bore.It s feature is, the ball valve s two bores are arranged to be X-pattern ,and its four bores are connected to each other two of adjacent bores can be connected to each other.
本阀门系列可配置多种驱动装置 This ball valve can be equipped with several types of operation device.
主要零件材质Main Patrs and Materials
|
零件名称 Accessory name |
材 质 Material |
|
GB |
ASTM |
|
阀体、阀盖 Body,bonnet |
WCB |
A216-WCB |
|
密封圈 Sealing Ring |
PTFE、对位聚苯 PTFE、Counterpoint polypheny1 |
PTFE、对位聚苯 PTFE、Counterpoint polypheny1 |
|
球体 Ball |
1Cr18Ni9Ti |
SS 304 |
|
阀座、阀杆 Seat、Stem |
2Cr13 |
A246-416 |
|
双头螺柱 Dual-head double-screw bolt |
35CrMoA |
A193-B7 |
主要性能规范 Main Performance Spcification
|
公称压力 PN(MPa) Nominal diameter |
试验压力 Test pressure |
|
壳体 Shell |
高压液密封 High-pressure liquid sealing |
低压气密封 Low-pressure hermetic sealing |
|
1.6 |
2.4 |
1.76 |
0.6 |
|
2.5 |
3.75 |
2.75 |
|
4.0 |
6.0 |
4.4 |
|
CLASS150 |
3.O |
2.2 |
|
适用工况 Applicable Operating Mode |
适用介质 Applicable medium |
水、油品、气等非腐蚀介质和酸碱腐蚀介质 Non-corrosion medium such as water, oil products, and gas, etc,and nitric acid corrosion medium. |
|
适用温度 Applicable temperature |
-28-350℃ |
|
应用规范 Applicable specification |
连接法兰 Connecting flange |
JB79-59、GB9113、HG20592-97、ANSI B16.5 |
|
检验试验 Test and inspection
|
GB9/T 9092-99、API 598 |
|
其余制造规范均按本厂标准 Other manufacturing standard is according to the standard of our factory. |

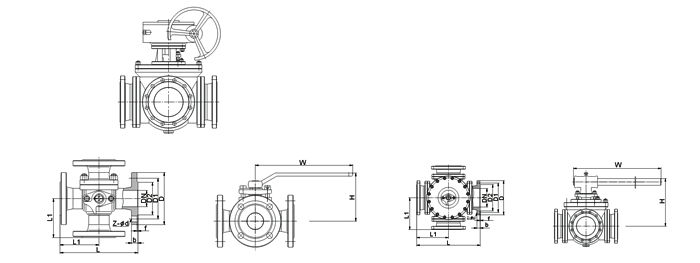
主要外型与连接尺寸表Form of Main Types and Connecting Dimension
|
公称压力或压力级 Nominal pressure |
主要尺寸 Main dimension |
公称通径 |
|
15/1/2″ |
20/3/4″ |
25/1″ |
32/11/4″ |
40/11/2″ |
50/2″ |
65/21/2″ |
80/3″ |
100/4″ |
125/5″ |
150/6″ |
200/8″ |
|
PN1.6MFb |
L |
150 |
150 |
180 |
200 |
220 |
240 |
260 |
280 |
320 |
380 |
440 |
550 |
|
PN2.5MFh |
L1 |
75 |
75 |
90 |
100 |
110 |
120 |
130 |
140 |
160 |
190 |
220 |
275 |
|
PN4.0MFb |
H |
90 |
90 |
102 |
115 |
135 |
140 |
155 |
185 |
210 |
275 |
305 |
335 |
|
CLASS150 |
W |
140 |
140 |
155 |
250 |
250 |
350 |
350 |
420 |
700 |
1000 |
1300 |
1800 |
|
其余的法兰尺寸请参阅样本 <主要外型及连接尺寸表> |
|